A51-E
行業標準型號:BP-LED15x12C4/D20
- 詳細參數
光學系統
光源:12顆15W大功率RGBW 4合1 LED
光源壽命:>50000小時
顏色系統
RGBW混色系統
可手動調節白平衡,預設2700K / 3200K/ 4300K / 5600K / 6500K / 8000K色溫模式
效果
變焦范圍:10°-64°
調光:0-100%線性調光
頻閃:最高可達25Hz,可以選擇隨機頻閃或脈沖頻閃
可圈控
防護等級
IP20
顯示
顯示屏:待機15秒后按鍵自動上鎖設置,防止誤操作,長按菜單鍵3秒后激活按鍵
軟件
7個內置程序可供選擇
通過DMX數據線升級
可從控臺完成更改DMX地址碼,機器重設等功能
顯示燈具和光源使用時間
3個通道模式:29/16/38個國際標準通道
控制
RDM協議
電氣參數
電源:AC100-240V, 50/60Hz
整燈功率:200W
尺寸重量
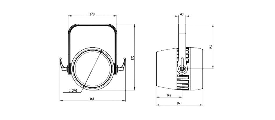
產品尺寸:36.4x24.0x37.2cm
包裝尺寸(紙箱):45.5x43.5x35.5cm
凈重:7.5kgs
毛重(紙箱):9.5kgs
光源:12顆15W大功率RGBW 4合1 LED
光源壽命:>50000小時
顏色系統
RGBW混色系統
可手動調節白平衡,預設2700K / 3200K/ 4300K / 5600K / 6500K / 8000K色溫模式
效果
變焦范圍:10°-64°
調光:0-100%線性調光
頻閃:最高可達25Hz,可以選擇隨機頻閃或脈沖頻閃
可圈控
防護等級
IP20
顯示
顯示屏:待機15秒后按鍵自動上鎖設置,防止誤操作,長按菜單鍵3秒后激活按鍵
軟件
7個內置程序可供選擇
通過DMX數據線升級
可從控臺完成更改DMX地址碼,機器重設等功能
顯示燈具和光源使用時間
3個通道模式:29/16/38個國際標準通道
控制
RDM協議
電氣參數
電源:AC100-240V, 50/60Hz
整燈功率:200W
尺寸重量
產品尺寸:36.4x24.0x37.2cm
包裝尺寸(紙箱):45.5x43.5x35.5cm
凈重:7.5kgs
毛重(紙箱):9.5kgs
產品參數及圖片僅供參考,更改恕不另行通知,具體以實物為準,本公司保留最終解釋權。
- 尺寸圖
- 照度圖















